Grocery Delivery System Design Project

Spring-assisted Sack Truck with Stair Climbing Capability.

Year 2 Group Project, 2022.

The Brief.

Due to the Covid-19 pandemic, home grocery delivery services have experienced a huge increase in popularity. However, current methods used at the final stage of the service are outdated and drivers are faced with a range of problems related to the customer's location, dealing with items that need to be kept at different temperatures, safe off-loading procedures and transferring the goods over a range of terrain and obstacles.

The client company aims to address the problems currently experienced in ‘last mile’ deliveries by designing an innovative mechanical handling aid that is used for the transfer of goods between the delivery van and the customer.

Concept Sketches:

Using the ideas generated in a morphological chart, four design concepts were developed and sketched. Each design incorporates different sack truck configurations, wheels, and ways of loading the sack truck.

These concepts were then evaluated against the design requirements using a Pairwise Comparison Matrix and MCDA to choose the best concept, which would later be developed in more detail.

 

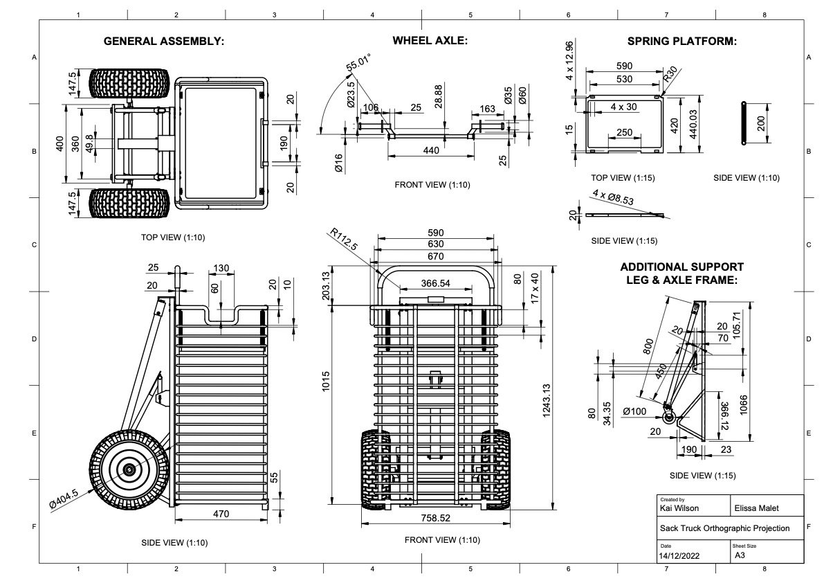
The Final Design:

 

 

Design Embodiment:

The final design was modelled in Fusion 360 and is an amalgamation of two of the design concepts.

It features a foldable main frame that can collapse for easy storage in delivery vehicle, a spring platform that lowers itself as more crates are added as well as an extendable leg for additional stability when moving goods from the delivery vehicle to the desired drop off location. A stair climbing assistance system was also added with independent axles that rotate 90 degrees when going up stairs. Large all-terrain tyres were included for use in different environments and terrains.

Engineering Drawings:

 

Previous
Previous

BrachBot Design Project

Next
Next

DBS PayLah App UI/UX Design